基本參數
| 所屬品牌 (Brand) |
TIMKEN(鐵姆肯)公司是全球領先的優質軸承、合金鋼及相關部件 和配件制造商。 |
|
| 軸承類型 (Series) |
寬內圈球軸承 | |
| 軸承型號 (Bearing NO) |
軸承型號 | YAE35RR |
| 鎖環 | M8X1.25 | |
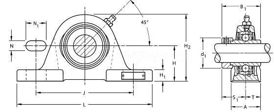
| 基本尺寸 (Basic size) |
內徑 | 35 |
| 外徑 | 72 | |
| 厚度(高度) | 36.5 | |
| 基本外圈尺寸 | 207 | |
| 其他尺寸 (Other size) |
L | - |
| M | - | |
| F | 46.8 | |
| C | 19 | |
| S | 10.85 | |
| G | - | |
| 其他參數 (Other parameters) |
d1 | - |
| B2 | - | |
| B1/J | 7.87 | |
| 額定負載(KN) (Rated loading) |
動態載荷 | 28500 |
| 靜態載荷 | 15100 | |
| 重量 (Mass) |
0.42 | |
| 詳細信息 (Detail) |
YAE35RR軸承,雙密封圈,標準系列 | |
推薦型號
軸承6212ZZE INA軸承ZM40 INA KZK22x28x16 KRX12×30×35-3/3AS軸承 軸承6312DDU TIMKEN軸承9380/9321 NACHI 7215B 6003軸承 軸承IRB2412 NTN軸承NATR12X NSK 7203CTYNSULP4 H39/500軸承 軸承7212BDB NTN軸承7208BDF TIMKEN 260RN91 230/600E軸承 軸承SC0039ZZNR FAG軸承51226 INA GE20FO-2RS WS81118軸承 軸承NA4826 FAG軸承22317E1K.T41A SKF NU216EC NTB7095軸承 軸承HN2020
軸承6212ZZE INA軸承ZM40 INA KZK22x28x16 KRX12×30×35-3/3AS軸承 軸承6312DDU TIMKEN軸承9380/9321 NACHI 7215B 6003軸承 軸承IRB2412 NTN軸承NATR12X NSK 7203CTYNSULP4 H39/500軸承 軸承7212BDB NTN軸承7208BDF TIMKEN 260RN91 230/600E軸承 軸承SC0039ZZNR FAG軸承51226 INA GE20FO-2RS WS81118軸承 軸承NA4826 FAG軸承22317E1K.T41A SKF NU216EC NTB7095軸承 軸承HN2020
軸承用途
燙平機、前幫機、拉床、其它、編織機、海德堡印刷機、疲勞試驗機、地礦勘測、選礦設備、閉式反應釜、灌裝機械、劃線車、對焊焊機、燃燒器配件、絞車、玻璃反應釜、耐腐蝕泵、冷卻塔、制版機、紡紗設備(紡機)、深孔鉆床、植保機械、列管式換熱器、濕式冷卻塔、制沙機械、擠水機、木工機床、刻字機、空氣凈化器、塑料板材設備、繞線機、絞線機、
燙平機、前幫機、拉床、其它、編織機、海德堡印刷機、疲勞試驗機、地礦勘測、選礦設備、閉式反應釜、灌裝機械、劃線車、對焊焊機、燃燒器配件、絞車、玻璃反應釜、耐腐蝕泵、冷卻塔、制版機、紡紗設備(紡機)、深孔鉆床、植保機械、列管式換熱器、濕式冷卻塔、制沙機械、擠水機、木工機床、刻字機、空氣凈化器、塑料板材設備、繞線機、絞線機、







